El sIG 33 (Schweres Infanterie Geschütz 33) era un cañón de
artillería, diseñado en 1927 por Rheinmetall, para ser usado como cañón de
apoyo a la infantería.
Inicialmente los cañones de las primeras versiones fueron
transportados por tiros de caballos, estando equipados con ruedas de madera.
Mas tarde los modelos que iban saliendo de fábrica disponían de ruedas de acero
con una cubierta de goma, y frenos, para ser remolcado por vehículos a motor.
A finales de 1930 fue rediseñado, siendo aligerado
utilizando nuevas aleaciones, hasta que el conjunto pasó a pesar 150kgs. El
estallido de la 2ª Guerra Mundial frenó su evolución ya que todas las
aleaciones ligeras fueron destinadas a los aparatos de la Luftwaffe.
Estuvo en producción durante toda la Guerra, fabricándose
unos 4.600 cañones de este tipo entre Rheinmetall, AEG-Fabriken y Bohemisch
Waffenfabrik . El alcance efectivo era de 4.700 metros contando con varios
tipos de munición.
Durante la invasión de Polonia quedó clara la dificultad de
la artillería remolcada de prestar el apoyo necesario a las unidades de
infantería motorizada. La solución mas sencilla fue la de montar un cañón sIG
33, sobre el chasis de un Panzer I ausf B. La unión del cañón, y del carro de
combate dio lugar al primer vehículo de artillería autopropulsada de la
Wehrmacht, el “15 cm sIG 33 (Sf) auf Panzerkampfwagen I Ausf B” (Bisón I), el
cual entró en servicio a principios de 1940.
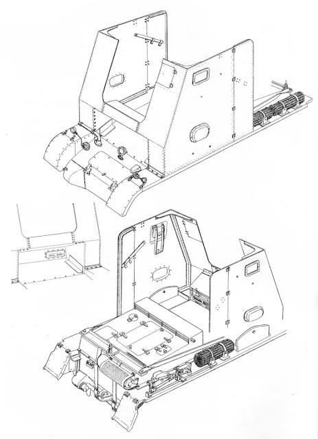
En este vehículo se sustituyó la torre, y la superestructura
del Panzer I, por una casamata blindada (13mm de grosor del blindaje) abierta
por arriba, y por atrás. Dentro de dicha casamata se acomodaba el cañón con la
cureña y las ruedas incluidas.
No había sitio para almacenar la munición, por lo que esta
era llevada por otro vehículo. Esta circunstancia, junto con las frecuentes
averías provocadas por el gran peso de la estructura, fueron importantes
contratiempos en el campo de batalla.
Fueron montados 38 de estos vehículos por Alkett, una filial
de Rheinmetall-Borsig AG, en febrero de 1940.
36 Bisón I fueron distribuidos entre 6 compañias
independientes de artillería pesada de infantería autopropulsada (schwere
Infanteriegeschütz-Kompanie mot.S) de nueva creación. Cada una de estas
unidades incluían 6 Bisón. Fueron numeradas de la 701ª , a la 706ª, y asignadas a la Divisiones Panzer números 9ª,1ª,2ª,5ª,7ª,
y 10ª, respectivamente.
Todas participaron en las operaciones en Francia, y Bélgica,
entre mayo y junio de 1940. En abril de 1941 las compañías 701ª, 703ª, y 704ª
participaron en la Operación Marita (invasión de Grecia). En junio del mismo
año todas fueron alineadas con sus respectivas divisiones para participar en la
invasión de la Unión Soviética (Operación Barbarossa).
En los primeros meses de operaciones en Rusia las compañías
705ª, y 706ª resultaron destruidas. De las restantes compañías solo la 701ª,
asignada a la 9ª Panzer División tomó parte en los avances del Grupo de
Ejercitos Sur, hasta ser transferida al Grupo de Ejercitos Centro, al final del
verano de 1942.
La última referencia registrada a una de estas compañías
corresponde a la 704ª Compañía (5ª Panzer División) el 30 de junio de 1943, en
la cual se mencionan a dos “sIG 33 (Sf) auf Panzerkampfwagen I Ausf B”
operativos.
MAQUETAS:
![]() |
| En Rusia |
![]() |
| 702ª schwere Infanteriegeschütz-Kompanie mot.S |
![]() |
| 702ª schwere Infanteriegeschütz-Kompanie mot.S |
![]() |
| 702ª Kompanie. Sobre plataforma de transporte. |
![]() |
| 702ª Kompanie. |
![]() |
| 704ª Kompanie en Francia. |
![]() |
| Sin casamata, normalmente destinado a misiones de entrenamiento |
![]() |
| En Ukrania |
![]() |
| La 702ª Kompanie |
![]() |
| 706ª Kompanie 10ª Panzer División |
![]() |
| 705ª Kompanie. Atravesando el Mosa en Mayo de 1040. |
![]() |

![]() |
| Esquema de colocación del cañón |
![]() |
| Dibujo esquematico de la casamata |
![]() |
| Composición teórica de una "schwere Infanteriegeschütz-Kompanie mot.S" |

























